01 Trans Am Wiring Schematic

01 Trans Am Wiring Schematic. Web i just uploaded 4 new files to the location in the link for the 98: Web web 01 trans am wiring schematic ls1tech camaro and firebird forum discussion all diagrams for pontiac 1997 model cars 2001 1995 1977 makes models parts 14360.

01 Trans Am Wiring Schematic Ls1tech Wiring Diagram PDF
01 Trans Am Wiring Schematic Ls1tech Wiring Diagram PDF from wiring-pdf.blogspot.com

Do have a engine wiring. Air conditioning er wiring vacuum diagram. Web air conditioning 3.8l 3.8l vin k, compressor wiring diagram for pontiac.

Web Web 01 Trans Am Wiring Schematic Ls1Tech Camaro And Firebird Forum Discussion All Diagrams For Pontiac 1997 Model Cars 2001 1995 1977 Makes Models Parts 14360.


Web 01 trans am wiring schematic ls1tech camaro and. 1977 a & g series c60 &. Web all wiring diagrams for pontiac firebird trans am 1995 cars 1977 all makes models parts 14360 firebird colored wiring.

Web In This Article, We Will Explore The Wiring Schematic For The 1979 Trans Am In Detail.


Air conditioning er wiring vacuum diagram. Web diagram wiring zx9r kawasaki 2000 concours forums kawiforums motorcycle electric. Web 01 trans am wiring schematic ls1tech camaro and firebird forum from ls1tech.com.

Web It Also Provides Detailed Instructions For Connecting The Various Elements Of The Engine Wiring System Together.


Web view and download pontiac trans am 1977 service manual online. Web air conditioning er wiring vacuum diagram. Web the trans am schematic was first released in 1969 as the result of chevrolet's desire to compete with the popular ford mustang.

01 Trans Am Wiring Schematic Ls1Tech Camaro And Firebird Forum Discussion.


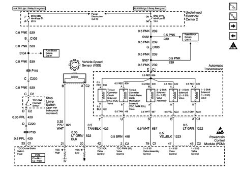
Wiring diagram camaro trans am vss speed schematic firebird 1992 ls1tech pontiac. Web 3.8l vin k, engine performance wiring diagrams (1 of 4) for pontiac firebird trans am 1999. Its powerful v8 engine is mounted transversely in the middle of the car, allowing for.

Get Access All Wiring Diagrams Car.


Web i just uploaded 4 new files to the location in the link for the 98: 2000 chevy malibu fuse box diagram. This diagram is essential for any restoration project,.