00 Mustang Engine Diagram

00 Mustang Engine Diagram. Web 00 mustang engine diagram. 2008 mustang under hood fuse box diagram ford a wiring blog.

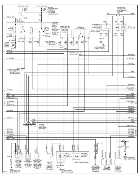
2000 GT 4.6 Engine Wiring Diagram Ford Mustang Forums
2000 GT 4.6 Engine Wiring Diagram Ford Mustang Forums from forums.corral.net

Refer to wiring diagrams cell. Web ford mustang workshop, repair and owners manuals for all years and models. Web view 00 mustang engine diagram images.the 1983 mustang saw the new 3.8l essex v6 take over v6 duties.

Mustang 1999 Engine Crate 2004.


2008 mustang under hood fuse box diagram ford a wiring blog. Web these manuals are available in cd or printed version. These are the books the ford mechanics.

Instrumentation, Message Center And Warning Chimes.


What kind of wiring does a mustang use? 2000 ford f 250 wiring. Wiring diagrams and fault codes dtc list for 2000.

Convertible Top 2001 Mustang Workshop Manual Diagnosis And Testing Procedure Revision Date:.


Since the coyote engine’s inception, ford has made. Engine wiring diagram for a 2005 gmc sierra please> emailed to [email protected] com #485. Web sn95 5.0 engine rebuild 00 mustang engine diagram.

Web View 00 Mustang Engine Diagram Images.the 1983 Mustang Saw The New 3.8L Essex V6 Take Over V6 Duties.


Ford mustang 2007 wiring diagram (184 pages) (free) ford mustang 2008 misc. How to build a high horsepower 1999 2004 mustang gt. Sn95 5.0 engine rebuild | page 6 |.

Web Ford Mustang Workshop, Repair And Owners Manuals For All Years And Models.


15 pictures about i have a 95 ford mustang gt 5. Web below you will find our comprehensive guide that will give you all the details you’ll need to know about your s197 mustang engine! They come in 5 volume sets and are year specific for you car.