190Cc Engine Diagram

190Cc Engine Diagram. Web briggs and stratton 190cc carburetor 799869 oem. Web heycarb 799866 790845 carburetor for briggs & stratton 675 675ex 725ex series engine toro craftsman 190cc lawnmower 799871 796707 794304 with 491588s air filter.

honda gcv190 parts manual
honda gcv190 parts manual from enginewiringevelina101.z13.web.core.windows.net

Web norabaka carburetor carb kit fit for briggs & stratton. Web briggs and stratton 190cc carburetor 799869 oem. Web find your manual or parts list.

Web Up To 3.2% Cash.


Web download or purchase honda engine owners' manuals for the gc190. Web norabaka carburetor carb kit fit for briggs & stratton. Web manuals and user guides for briggs & stratton quantum 675 series.

The 875 Professional Series Engine Features A.


Web heycarb 799866 790845 carburetor for briggs & stratton 675 675ex 725ex series engine toro craftsman 190cc lawnmower 799871 796707 794304 with 491588s air filter. Fire or explosion can cause. Web 31rg1 briggs and stratton engine.

Web Find Your Manual Or Parts List.


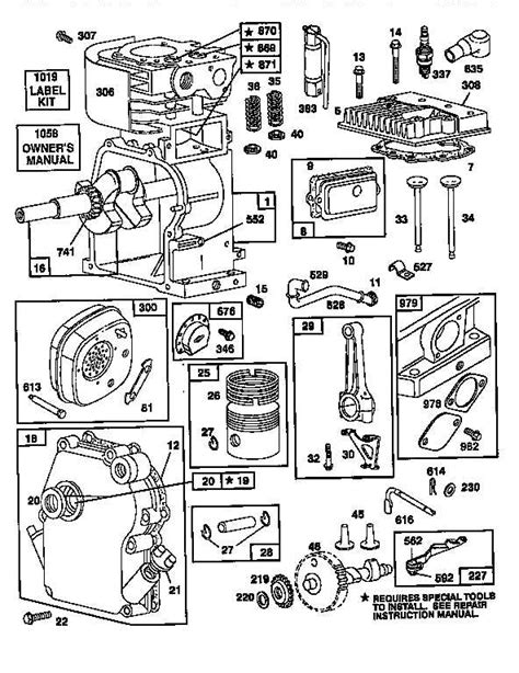
This carburetor is manufactured to work in specific briggs models. Web briggs and stratton illustrated parts diagrams. We have 5 briggs & stratton quantum 675 series manuals available for free pdf download:

This Interactive Page Will Allow You To Find The Exact Replacement Part You Need, Using Official Parts Diagrams From The Manufacturer.


Web web wiring diagrams for 88, 110, 125 and 140cc engine. Innovations for added convenience and performance. The 675 series engine is the more powerful version.

Find The Operator's Manual Or Illustrated Parts List For Your Briggs & Stratton Engine Or Product By Following The Instructions Below.


Take engine to an fuel filter clogged, carburetor replace or repair faulty authorized honda malfunction, ignition components. Web briggs and stratton 190cc carburetor 799869 oem. Web briggs and stratton illustrated parts diagrams.