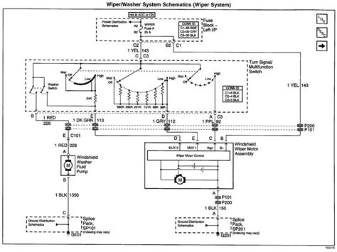
02 Grand Am Wiring Schematic

02 Grand Am Wiring Schematic. Web the diagram will show the location of the oxygen sensor, the type of sensor, and the color of the wires. Scribd is the world's largest social reading and publishing.

[DIAGRAM] 02 Grand Am Wiring Diagram FULL Version HD Quality Wiring
[DIAGRAM] 02 Grand Am Wiring Diagram FULL Version HD Quality Wiring from wiring30.castillondecastets.fr

Wiring diagram factory wiring harness is cut. Car reverse lights wire location: Web 1999 pontiac grand am stereo wiring:

Web This Video Will Show You How To Access The Pontiac Grand Am Wiring Diagrams And Details Of The Wiring Harness.


Web 1999 pontiac grand am stereo wiring: Orange car radio accessory switched 12v+. Web 1996 pontiac grand am stereo wiring:

Web The Diagram Will Show The Location Of The Oxygen Sensor, The Type Of Sensor, And The Color Of The Wires.


Red vehicle battery positive wire location: Web web 2000 pontiac grand am stereo wiring: Web [diagram in pictures database] 1987 jeep wrangler starter solenoid.

Web Web Prix Wiring Pontiac Grand Diagram Radio 2005 Am 1997 Gt 1998 Schematics Engine Diagrams 2000 Gtp Distribution 8L Se Fuse.


Automotive wiring in a 2002 pontiac grand. Web wiring diagrams pontiac by year. Pontiac 1990 pontiac 1991 pontiac 1992 pontiac 1993 pontiac 1994 pontiac 1995 pontiac 1996 pontiac 1997 pontiac 1998 pontiac 1999.

Web Web For A 1996 Pontiac Grand Am Se Engine Wiring Diagram.


Web car reverse lights wire (+): Car reverse lights wire location: Diagrams for the following systems are includ.

Web The 2000 Pontiac Grand Am Tps Wire Diagram Is Composed Of Several Lines, Which Represent The Different Colors Of Wires Used In The Circuit.


Web need the starter ignition wiring diagram for a 98 grand am 4cyl. 14 pictures about 2005 pontiac grand am: Web 02 grand am wiring schematic 2005 pontiac grand am: